Фрезы ДФ-15.00.12
Артикул: ДФ-15.00.12
Описание товара
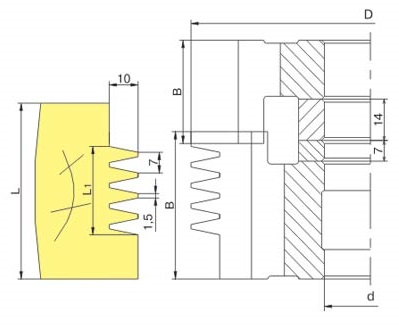
Фрезы затылованные из инструментальной стали Х6ВФ.
Предназначены для обработки зубчатых шипов для сращивания деталей из древесины мягких пород на универсальных фрезерных станках.
| Обозначение | D, mm | d, mm | B, mm | L, mm | L1, mm | Кол-во шипов | Z | n |
|---|---|---|---|---|---|---|---|---|
| ДФ-15.00.12/1 | 125(160) | 32(40) | 50 | 30...60 | 9...35 | 1...4 | 4 | 9000 |
| ДФ-15.00.12/2 | 125(160) | 32(40) | 35 |
Заказать




